手机版
电脑版
二维码
购物车
(
0
)
最新订单
企业商铺
供应产品
发布询价单
首页
最新订单
塑胶件
冲压件
钣金加工
包装印刷
模具加工
服装纺织
焊接件
机加工
表面处理
锻造铸造
企业商铺
供应产品
首页
>
最新订单
>
机加工
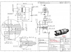
易切削钢加工
点击图片查看原图
需求数量:
1000件
价格要求:
包装要求:
所在地:
广东广州市
有效期至:
2017-03-26
[已过期]
最后更新:
2017-02-24 21:14
浏览次数:
12
公司基本资料信息
详细说明
按附件图纸进行加工制作,包工包料报价; 材料:Y15钢 数量:请分别按500件和1000件分开报价;报单价; 需要3D图请电话联系
附件:
111 Piston long_F.PDF
更多
>
同类最新订单
094偏心阀阀座车加工
一批非标件
不锈钢球磨口夹加工
求购316L螺纹钢
管卡扣加工
对接铆钉扣加工
雾状三喷头加工
六角自攻螺丝加工
网站首页
|
发询价单
|
如何接单
|
升级企业
|
本站帮助
|
充值方式
|
关于我们
|
联系方式
|
版权隐私
|
网站地图
|
赣ICP备16010903号-2
本站订单真实有效,如有虚假信息请联系我们,我们会尽快处理