手机版
电脑版
二维码
购物车
(
0
)
最新订单
企业商铺
供应产品
发布询价单
首页
最新订单
塑胶件
冲压件
钣金加工
包装印刷
模具加工
服装纺织
焊接件
机加工
表面处理
锻造铸造
企业商铺
供应产品
首页
>
最新订单
>
机加工
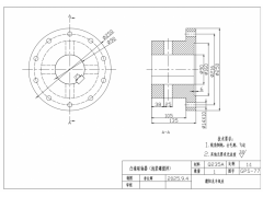
凸缘联轴器加工
点击图片查看原图
需求数量:
1件
价格要求:
包装要求:
所在地:
河南濮阳市
有效期至:
2025-11-14
最后更新:
2025-10-15 22:20
浏览次数:
2
公司基本资料信息
详细说明
凸缘联轴器,GPS-77,外径250mm 内径90mm 高度135mm 键宽25mm Q235A 物料描述:按照甲方提供的图纸要求进行加工,不经甲方同意不得擅自改动图纸上面的技术要求;有疑问可联系采购人员。
凸缘联轴器(泡浆罐搅拌)GPS-77.pdf
更多
>
同类最新订单
加工件螺旋轴头询价
三英寸支架加工
膨胀片加工
凸缘联轴器加工
招募压紧螺母(代加工
大号通孔螺杆加工
筒体加工
料斗加工
网站首页
|
发询价单
|
如何接单
|
升级企业
|
本站帮助
|
充值方式
|
关于我们
|
联系方式
|
版权隐私
|
网站地图
|
湘ICP备2025120194号
本站订单真实有效,如有虚假信息请联系我们,我们会尽快处理